|
HC-KZB具有动态模拟图、柜内温湿度控制、带电显示及闭锁、智能语音防误提示功能,还可选择配置RS485数字通讯、高压带电自检功能、核相/验电检测端口,并且可根据用户的控制要求在装置上安装对应的操控转换开关(包括照明开关、储能开关、远方/就地转换开关、分合闸转换开关),使屏面布局简洁化。


屏面嵌入式安装,在面板上开一个220mm(横向)×165mm(纵向)的矩形孔,从正面装入HC-KZB装置后,再从背面用3个配套固定件三点固定即可。

在安装使用HC-KZB装置时需注意以下几点:
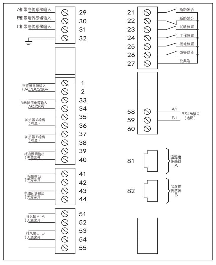
1、动态模拟指示输入部分(端子1#~7#)必须接无源干接点,带电线路接入会损坏装置
2、温湿度传感器与装置连接必须正确、可靠,否则装置会一直处于加热状态。
3、当需进行大于标称电压2倍以上的高压试验时,请先将装置上高压带电显示接线端子拔下,高压带电显示接线端子与装置配套的高压试验短接模块短接后方可进行高压试验,防止异常过压损坏装置。
订货时,用户需将一次系统图和转换开关接点图传真或发邮件到我公司,注明所订产品的具体型号及数量,并标清需以下功能的一种或多种:
1、动态模拟图(有断路器的说明是否要储能指示);
2、柜内温湿度控制(一路或二路温湿度传感器控制);
3、高压带电显示及带电闭锁;
4、RS485通讯接口。
我公司将根据一次系统图及用户的具体要求制作产品方案,待用户确认方案后开始定制产品。